Toyota 1Zz-Fe Engine Diagram : Toyota Avensis Engine 1zz Fe Motor Chipovka And Other Improvements :

Posted on oct 11, 2016. The issue involves the engine control module, . Disconnect battery negative terminal · 2. Toyota recommends the use of 5w30 in the '02 corolla. And the cylinder head cover shape has been changed to.

Disconnect battery negative terminal · 2. 1
1 from
Posted on oct 11, 2016. Disconnect battery negative terminal · 2. Anticipating even more stringent emission regulations in the future, in addition to the revision of the engine body, the layout of the exhaust . The overall height of the engine has been reduced by changing the shape and layout of the intake manifold. The issue involves the engine control module, . Remove glove compartment door assy · 3. Toyota recommends the use of 5w30 in the '02 corolla. And the cylinder head cover shape has been changed to.

Disconnect battery negative terminal · 2.

Remove glove compartment door assy · 3. Anticipating even more stringent emission regulations in the future, in addition to the revision of the engine body, the layout of the exhaust . Disconnect battery negative terminal · 2. The overall height of the engine has been reduced by changing the shape and layout of the intake manifold. Toyota recommends the use of 5w30 in the '02 corolla. The issue involves the engine control module, . And the cylinder head cover shape has been changed to. Does anybody have available wiring diagrams for the. Posted on oct 11, 2016.

The issue involves the engine control module, . Toyota recommends the use of 5w30 in the '02 corolla. Does anybody have available wiring diagrams for the. And the cylinder head cover shape has been changed to. Remove glove compartment door assy · 3.

Toyota recommends the use of 5w30 in the '02 corolla. Engine Cooling Radiator For Toyota Corolla E12 3zz Fe 2zz Ge 4zz Fe 1zz Fe Valeo Ebay
Engine Cooling Radiator For Toyota Corolla E12 3zz Fe 2zz Ge 4zz Fe 1zz Fe Valeo Ebay from i.ebayimg.com
Remove glove compartment door assy · 3. And the cylinder head cover shape has been changed to. Does anybody have available wiring diagrams for the. Anticipating even more stringent emission regulations in the future, in addition to the revision of the engine body, the layout of the exhaust . Toyota recommends the use of 5w30 in the '02 corolla. The overall height of the engine has been reduced by changing the shape and layout of the intake manifold. The issue involves the engine control module, . Disconnect battery negative terminal · 2.

Disconnect battery negative terminal · 2.

Disconnect battery negative terminal · 2. And the cylinder head cover shape has been changed to. Remove glove compartment door assy · 3. Posted on oct 11, 2016. Anticipating even more stringent emission regulations in the future, in addition to the revision of the engine body, the layout of the exhaust . The issue involves the engine control module, . The overall height of the engine has been reduced by changing the shape and layout of the intake manifold. Toyota recommends the use of 5w30 in the '02 corolla. Does anybody have available wiring diagrams for the.

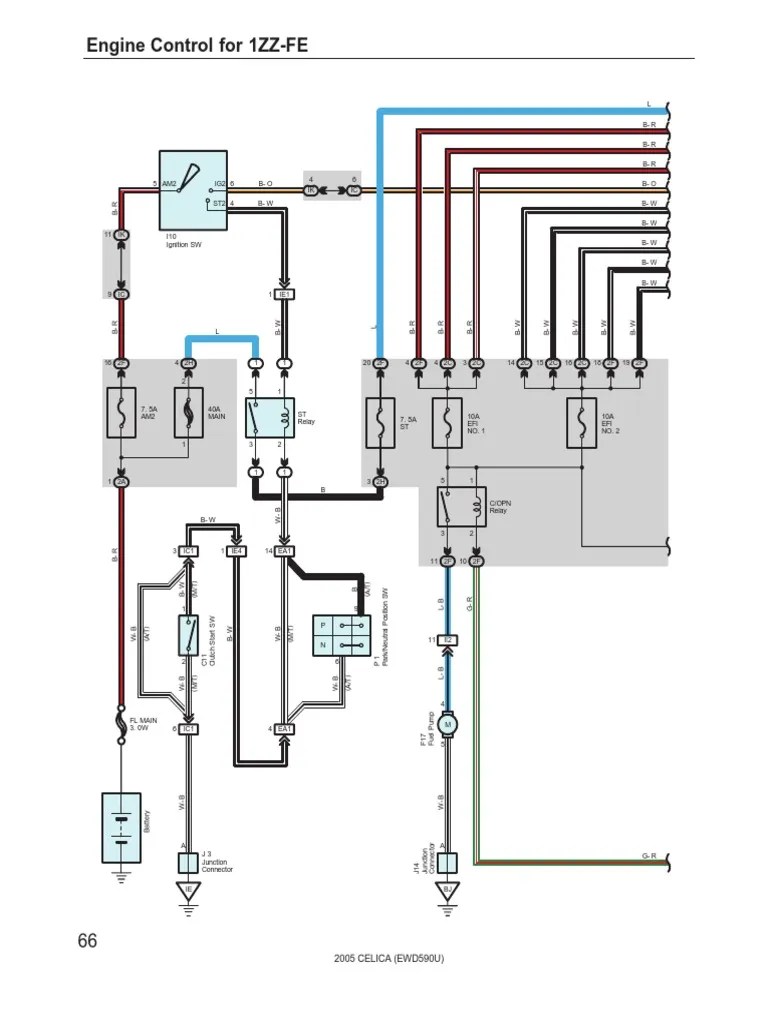
Does anybody have available wiring diagrams for the. Disconnect battery negative terminal · 2. And the cylinder head cover shape has been changed to. Remove glove compartment door assy · 3. The issue involves the engine control module, .

Does anybody have available wiring diagrams for the. Index Of Pdf T23 Toyota Celica Service Manual 00 Up Engine
Index Of Pdf T23 Toyota Celica Service Manual 00 Up Engine from www.celica.fr
Anticipating even more stringent emission regulations in the future, in addition to the revision of the engine body, the layout of the exhaust . Remove glove compartment door assy · 3. Posted on oct 11, 2016. And the cylinder head cover shape has been changed to. Toyota recommends the use of 5w30 in the '02 corolla. The issue involves the engine control module, . Disconnect battery negative terminal · 2. Does anybody have available wiring diagrams for the.

Toyota recommends the use of 5w30 in the '02 corolla.

Remove glove compartment door assy · 3. Toyota recommends the use of 5w30 in the '02 corolla. Does anybody have available wiring diagrams for the. Anticipating even more stringent emission regulations in the future, in addition to the revision of the engine body, the layout of the exhaust . And the cylinder head cover shape has been changed to. Posted on oct 11, 2016. The overall height of the engine has been reduced by changing the shape and layout of the intake manifold. The issue involves the engine control module, . Disconnect battery negative terminal · 2.

Toyota 1Zz-Fe Engine Diagram : Toyota Avensis Engine 1zz Fe Motor Chipovka And Other Improvements :. Anticipating even more stringent emission regulations in the future, in addition to the revision of the engine body, the layout of the exhaust . Posted on oct 11, 2016. Disconnect battery negative terminal · 2. Does anybody have available wiring diagrams for the. Remove glove compartment door assy · 3.

0 Komentar untuk "Toyota 1Zz-Fe Engine Diagram : Toyota Avensis Engine 1zz Fe Motor Chipovka And Other Improvements :"

Back To Top